Ange din e-postadress
Produkterna
Hitta bland alla våra produkter
Andra sätt att hitta på
Andra sätt att hitta på
Andra sätt att hitta på
Andra sätt att hitta på
Andra sätt att hitta på
Andra sätt att hitta på
Andra sätt att hitta på
Best.nr 20124643
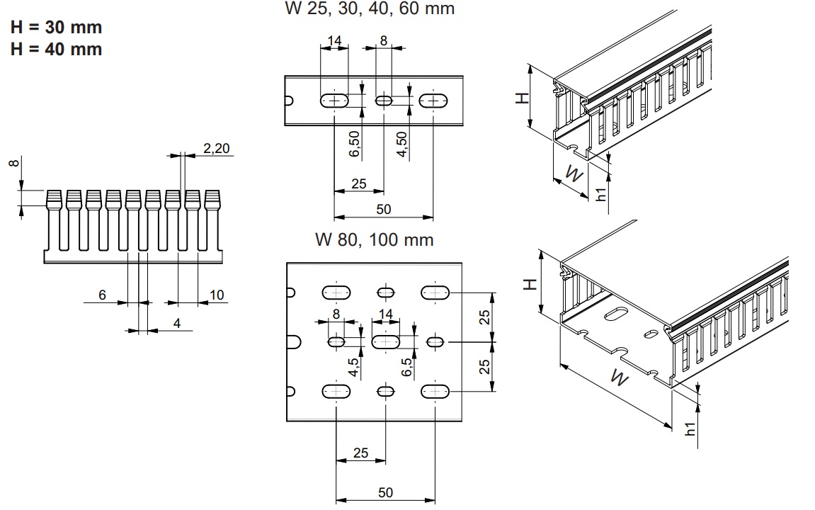
En robust kabelkanal, perfekt för industrimiljöer där pålitlig kabelhantering krävs. GN-A6/4 är tillverkad i styv PVC med slitsar, levereras inkulsive lock. Hålmönster enligt NF EN IEC 61084 vilket underlättar installation och anpassning av kablar i olika storlekar. Måtten i benämning anges höjd x bredd. Läs mer
Varianter
Kabelkanal Industri (GN-A6/4) är speciellt designad för krävande applikationer inom industriella miljöer. Tillverkad i styv PVC med hög flamsäkerhet (klassad till UL94 V0) och med arbetstemperaturer från -5 till +65°C, passar denna kabelkanal utmärkt för miljöer där brandsäkerhet och tålighet är avgörande. Med sin gråa färg (RAL 7030) smälter den lätt in i industriella miljöer och erbjuder en diskret men effektiv lösning för kabelhantering.

GN-A6/4 finns i flera olika dimensioner, från mindre kanaler på 15x15 mm till bredare alternativ på upp till 100x150 mm. Detta gör det möjligt att hantera allt från små kabelbuntar till större samlingar av kraftkablar. Slitsarna och locket möjliggör flexibel kabeldragning och enkel åtkomst vid behov av service eller omdragning.
Sidorna är invändigt förperforerade i botten av fingrarna för att dessa snabbt ska kunna vikas bort för att dra ut kablage, men även i botten av sidan om man vill ta bort sidan helt i vinklar.
GN-profilen är enklare att separera locket efter applicering vid omdragning eller underhåll, jämnfört GF-profilen.
GN-A6/4 har hög volymresistivitet (10¹⁵ Ω.cm) och en dielektrisk styrka på 15 kV/mm, vilket säkerställer säker kabelinstallation även i elektriskt krävande miljöer. Produkten är byggd för lång livslängd och motstår både värme och mekanisk påverkan, vilket gör den till en tillförlitlig lösning även under tuffa förhållanden. Med sin standardlängd på två meter, med möjlighet till att kapa och anpassa är den lätt att hantera och skarva för längre installationer.


Kabelkanal Industri GN-A6/4 kombinerar pålitlig säkerhet och praktisk flexibilitet – den perfekta lösningen för krävande industriella miljöer där kabelhantering inte får lämna något åt slumpen.
Hittar du inte just din specifikation eller har frågor så kontakta oss på 0852400700 eller info@direktronik.se så hjälper vi dig.