Ange din e-postadress
Produkterna
Hitta bland alla våra produkter
Andra sätt att hitta på
Andra sätt att hitta på
Andra sätt att hitta på
Andra sätt att hitta på
Andra sätt att hitta på
Andra sätt att hitta på
Andra sätt att hitta på
Best.nr 20200162
Robusta halogenfria gummigenomföringar i TPE för pålitligt kabelskydd och tätning i elektriska och mekaniska installationer. Läs mer
Varianter
DK-TPE gummigenomföringar från SES-Sterling är tillverkade i slitstarkt Plioprene® TPE (PP/EPDM), vilket ger en kombination av hög flexibilitet, lång livslängd och säker kabelgenomföring. De skyddar kablar mot skarpa kanter, vibrationer och mekanisk påverkan samtidigt som de bidrar till elektrisk isolation.
Materialet är halogenfritt, flamskyddat enligt HB UL94 och klarar temperaturer från –50 °C till +125 °C, vilket gör dem till ett tryggt val för både industriella och elektriska applikationer. Med hög draghållfasthet, lång töjbarhet och dielektrisk styrka på 35 kV/mm uppfyller DK-TPE de krav som ställs i krävande miljöer.

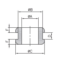
Genom att expandera Teknisk specifikation nedan hittar du måtten på respektive artikel enligt sprängskissen ovan
ØA Innerdiameter
ØB Väggdiameter
ØC Ytterdiameter
D Väggmått
Genomföringarna finns i flera storlekar för olika kabeldiametrar – se under Teknisk specifikation.
Hittar du inte just din specifikation eller har frågor så kontakta oss på 0852400700 eller info@direktronik.se så hjälper vi dig.