Ange din e-postadress
Produkterna
Hitta bland alla våra produkter
Andra sätt att hitta på
Andra sätt att hitta på
Andra sätt att hitta på
Andra sätt att hitta på
Andra sätt att hitta på
Andra sätt att hitta på
Andra sätt att hitta på
Best.nr 20200095
DR-PVC har en mjukare invändig radie jämnfört klassisk genomföring. I övrigt samma flexibla PVC som skyddar kablar mot vassa kanter och slitage vid genomgångar i plåt och kapslingar. Finns i flera dimensioner för olika hålstorlekar. Läs mer
Varianter
Genomföring DR-PVC från SES-Sterling används för att skapa en säker och prydlig kabeldragning genom plåt, paneler eller kapslingar. Den rundade kanten förhindrar nötning och skador på kabeln, samtidigt som den minskar vibrationer och mekanisk påverkan.
Tillverkad i mjukgjord PVC (typ 9542), vilket gör den både flexibel och enkel att montera – genomföringen trycks helt enkelt på plats i hålet och sitter stabilt även i tunnplåt. Serien omfattar ett stort antal storlekar för håldiametrar från ca 4 mm upp till 18 mm. Levereras i svart utförande och i förpackningar om 100 st.
Produkten är RoHS-godkänd och ett kostnadseffektivt val för elskåp, apparatskåp, maskiner och andra installationer där kablar behöver passera genom metall eller plast utan risk för skador.

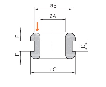
Genom att expandera Teknisk specifikation nedan hittar du måtten på respektive artikel enligt sprängskissen ovan
ØA Innerdiameter
ØB Väggdiameter
ØC Ytterdiameter
D Väggmått
Är du tveksam inför valet av genomföring eller har frågor så kontakta oss på 0852400700 eller info@direktronik.se så hjälper vi dig.