• Vi skickar samma dag
  • Personlig service & fri rådgivning
  • Genuin omtanke
Kundservice +46 8 52 400 700

Best.nr 20200465

Genomföring special

Specialgenomföringar i Plioprene TPE – flexibla lösningar för kabelskydd i trånga eller specialanpassade installationer. Läs mer

Varianter

Lagerstatus 7 pac
Leveranstid 1-2 dagar
809 SEK exkl. moms
  • Produktbeskrivning

    Denna kategori omfattar specialutformade genomföringar tillverkade i slitstarkt Plioprene TPE, ett material som kombinerar hög flexibilitet med lång livslängd. Genomföringarna är designade för att ge pålitligt skydd mot slitage, fukt och smuts även i krävande miljöer, med ett temperaturområde från –50 °C till +125 °C.

    Här hittar du modeller som den kompakta 12-1017 TPE och den unika halvmåneformade 12-1461 TPE, båda framtagna för att möta behov där standardlösningar inte räcker till. De är särskilt lämpade för installationer där utrymmet är begränsat eller där kablar behöver extra skydd mot vassa kanter och mekanisk påverkan.

    Vi har tillgång till betydligt fler specialanpassade genomföringar. Säg till så hittar vi en lösning som passar dina behov!

  • Teknisk specifikation

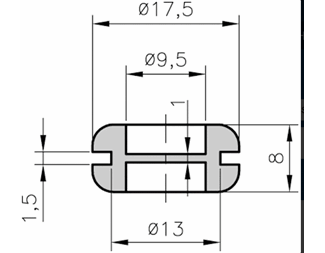
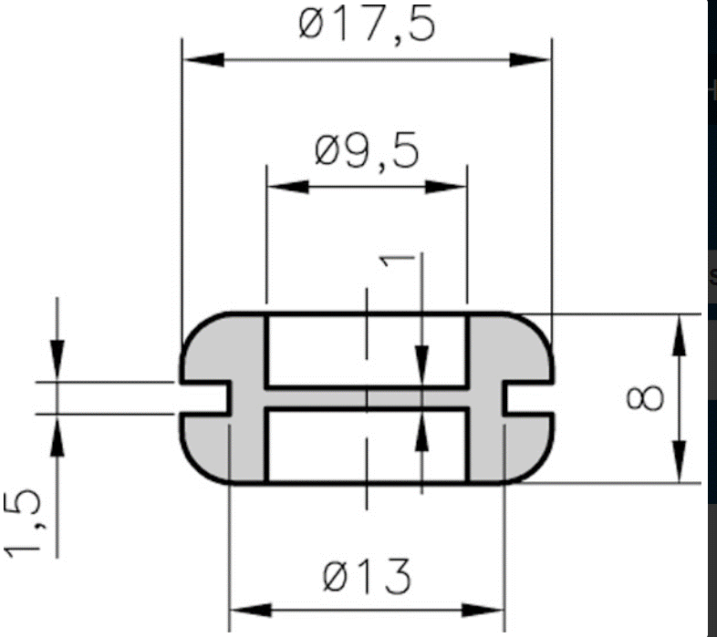
    Innerdiameter (mm) *
    9,5
    Ytterdiameter (mm) *
    13
    Väggdiameter (mm)
    17,5
    Väggmått (mm)
    1,5
    Typ
    Grommet
    Material
    Neoprene
    Färg
    Black
    Förpackningsstorlek
    100
  • Dokument

Alternativ till denna produkt